The DBY/DCY Series is a type of industrial gear reducer featuring a combination of bevel and cylindrical (helical) gears, designed for right-angle (90-degree) power transmission. It is widely used in heavy-duty applications requiring high torque, compact design, and reliable operation. These reducers are part of the "D" series hard tooth surface cone gear reducers, conforming to standards like JB/T8853-2001 for cylindrical gears and JB/T9002-1999 for bevel gears.
| Item | Parameters |
| Maximum speed of the reducer input shaft | ≤1500r/minzl |
| Gear Speed | ≤20m/s |
| Operating Temperature | -40~+50℃ |




Right-Angle Power Transmission: Employs Gleason spiral bevel gears in the first stage for precise 90-degree transfer, followed by involute cylindrical helical gears, making it ideal for vertical shaft applications in heavy-duty setups like conveyors and cranes.
Multi-Stage Transmission Options: DBY offers two-stage for moderate ratios, DCY three-stage for higher reductions, and DFY variant four-stage for specialized high-ratio needs, providing flexibility across power ranges of 0.27-500 kW.
Premium Materials and Durability: Gears crafted from low-carbon alloy steels (e.g., 20CrMnTi or 20CrNiMo), carburized, quenched, and ground to HRC 54-62 hardness, ensuring wear resistance, high load capacity (with >1.2 working coefficient), and long service life.
Superior Efficiency and Smooth Operation: Achieves 94-98% efficiency per stage with optimized meshing, low noise/vibration (gear speed ≤25 m/s), and minimal backlash for stable, energy-efficient performance.
Compact and Robust Construction: Lightweight design with optimized center distance for high load-carrying (radial/axial), housed in cast iron or welded steel for rigidity, balancing space savings with strength.
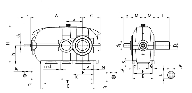
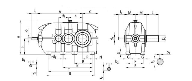
Versatile Installation and Configurations: Supports foot, flange, swing base, or torque-arm mounting; keyed solid input shafts; outputs as solid/hollow keyed shafts (with shrink disk) in variants I-IV, clockwise/counterclockwise rotation.
Modular Design with Accessories: Standardized parts for easy maintenance; optional backstop, forced lubrication, oil pumps, cooling systems, enabling adaptability for demanding environments like mining and metallurgy.
What are the DBY and DCY Series Bevel Gear Reducers?
The DBY and DCY Series are industrial gear reducers designed for right-angle (90-degree) power transmission. DBY models feature two-stage transmission, while DCY models offer three-stage transmission. Both use Gleason spiral bevel gears in the first stage and involute cylindrical helical gears in subsequent stages, ideal for heavy-duty applications like conveyors, cranes, and mixers.
What are the main applications for these reducers?
Mining (e.g., belt conveyors, crushers).
Metallurgy (e.g., rolling mills).
Cement and coal processing.
Cranes, hoists, and lifting equipment.
Paper, food, and pharmaceutical machinery.
What are the key differences between DBY and DCY models?
DBY: Two-stage transmission, suitable for moderate reduction ratios (8-50).
DCY: Three-stage transmission, designed for higher reduction ratios within the same range.
DFY (variant): Four-stage transmission for specialized high-ratio applications. All models support a power range of 0.27-500 kW, with DCY offering greater torque output due to additional staging.
What materials are used in the gears, and how durable are they?
Gears are made from high-quality low-carbon alloy steels (e.g., 20CrMnTi or 20CrNiMo), carburized, quenched, and ground to achieve a tooth surface hardness of HRC 54-62. This ensures excellent wear resistance, high load capacity (working coefficient >1.2), and a long service life, even under heavy radial and axial loads.
How efficient are these gear reducers?
The DBY/DCY Series achieves a transmission efficiency of 94-98% per stage, minimizing energy loss. Optimized gear meshing and precision manufacturing reduce noise (gear speed ≤25 m/s) and vibration, ensuring smooth and stable operation.
What mounting and configuration options are available?
Mounting: Foot-mounted, flange-mounted, swing base-mounted, or torque-arm-mounted.
Input: Keyed solid shaft. Output: Keyed solid or hollow shaft (with optional shrink disk). Output shaft variants (I, II, III, IV) support clockwise (S) or counterclockwise (N) rotation, providing flexibility for various installation needs.
Are there any optional accessories for these reducers?
Backstop to prevent reverse rotation.Forced lubrication systems.Oil pumps for enhanced cooling.
Cooling fans or coils for high-demand applications. These enhance performance in challenging environments like mining or metallurgy.
How do I select the right model for my application?
Choose DBY for moderate reduction ratios and simpler setups.Select DCY for higher reduction ratios and greater torque.Consider DFY for specialized high-ratio needs.Ensure the working coefficient is >1.2 for overload protection.Verify power (0.27-500 kW) and ratio (8-50) requirements. Consult manufacturers for custom configurations.
Choose Our Solution That Best Meets Your Business Requirements